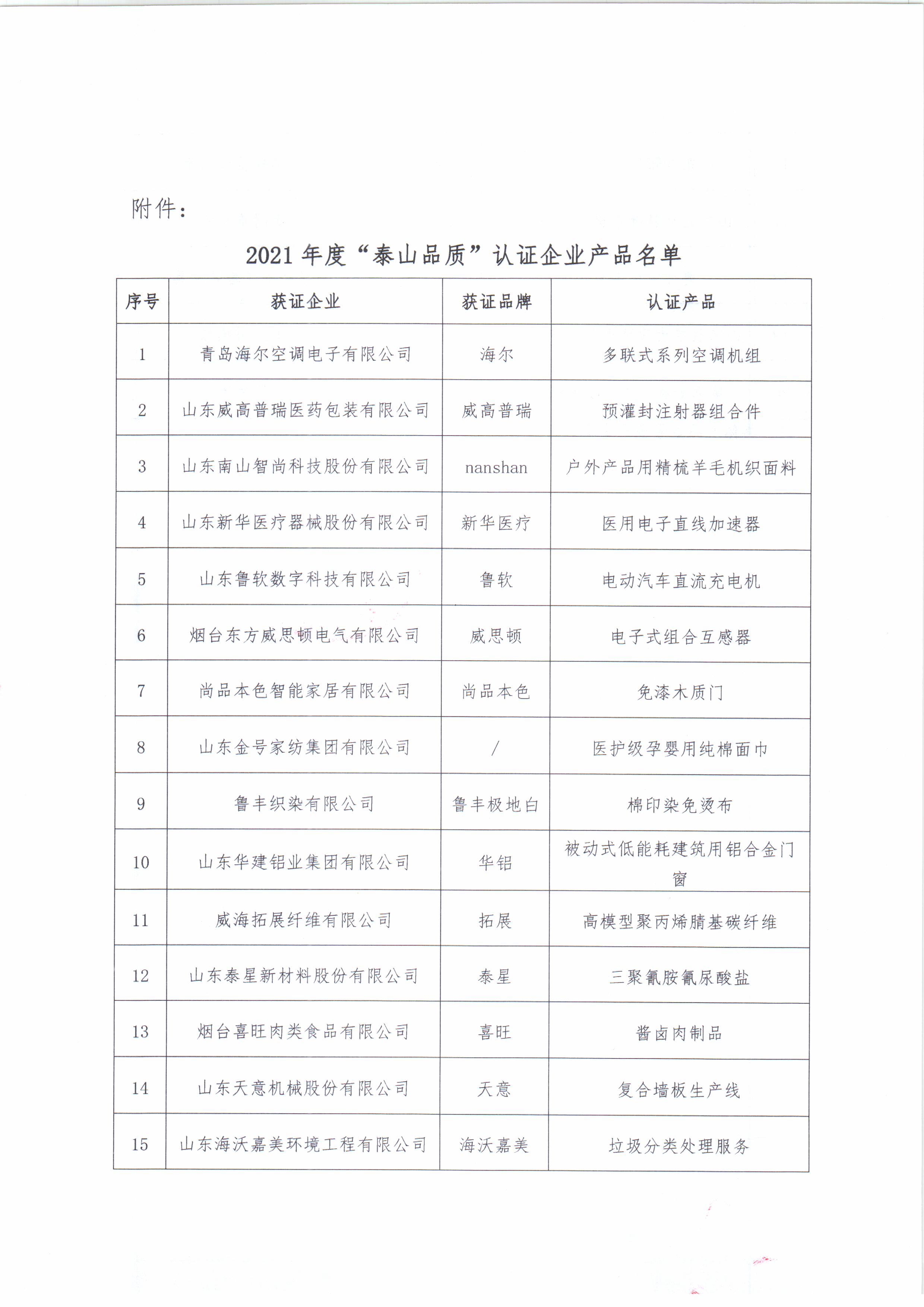
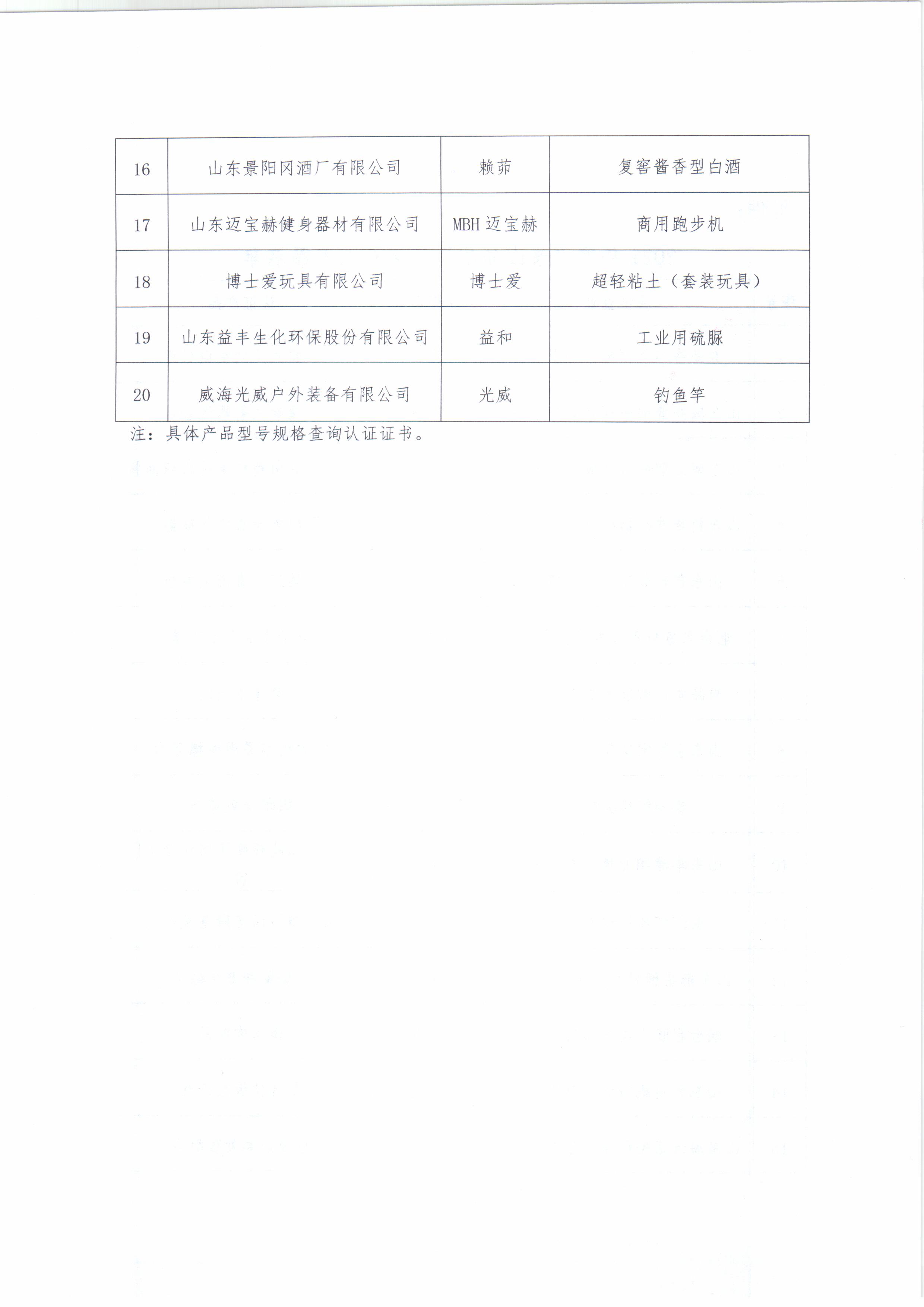
熱烈祝賀山東華建鋁業集團有限公司等3家企業獲得2021年度“泰山品質”認證證書
時間:2022年02月13日 近日,山東省認證認可協會和“泰山品質認證聯盟”聯合印發了了《關于公布2021年度“泰山品質”認證的企業產品名單的函》(20家企業及產品詳見附件),通過方圓標志認證集團認證的產品和企業有3家,分別是:山東華建鋁業集團有限公司的被動式低能耗建筑用鋁合金門窗,山東金號家訪集團有限公司的醫護級孕嬰用純棉面巾,山東益豐生化環保股份有限公司的工業用硫脲。在此向獲證企業表示熱烈祝賀。
泰山品質認證是山東省為貫徹落實山東省人民政府《關于加強質量認證體系建設促進全面質量管理的實施方案的通知》精神,以促進質量品牌高端化為核心而進行的高端品質認證。獲得“泰山品質”產品認證證書,將更有利于企業品牌價值的提升和高品質形象的塑造,有力于提升企業的市場競爭力。
方圓山東公司將在省市場監管局的指導下進一步規范和優化“泰山品質”認證活動,為積極推進高端認證,加快我省品牌高端化、企業國際化、服務卓越化進程,助力全省經濟高質量發展貢獻力量。



泰山品質認證是山東省為貫徹落實山東省人民政府《關于加強質量認證體系建設促進全面質量管理的實施方案的通知》精神,以促進質量品牌高端化為核心而進行的高端品質認證。獲得“泰山品質”產品認證證書,將更有利于企業品牌價值的提升和高品質形象的塑造,有力于提升企業的市場競爭力。
方圓山東公司將在省市場監管局的指導下進一步規范和優化“泰山品質”認證活動,為積極推進高端認證,加快我省品牌高端化、企業國際化、服務卓越化進程,助力全省經濟高質量發展貢獻力量。





